Connectable data cable protection, 2-pole, indirect earthing, with visual signalling, 48 V

Item no. 5080355 | EAN 4012196742233

4
2x2-pole
Terminal
Product description
Product description
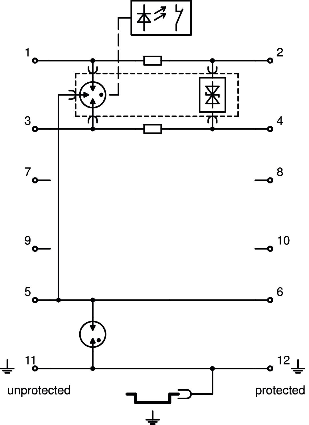
Plug-in data cable protection type 1+2/D1=C2 for the use in measurement, control and regulation technology

• Protective device for multi-wire systems
• Indirect shield earthing
• Frequency range to 100 MHz
• Earthing possible via the DIN rail or the connection cable
• Narrow structural width of 17.5 mm
• Hight level of system availability – no signal disruption without protection module
With visual signalling and the option of remote signalling via the voltage supply PDP-PS
• Integrated bus connector included

Application: Universal lightning and surge protection for data transmission devices in MCR technology.
  • 5-year warranty
  • Communautés Européennes, EC declaration of conformity according to EC directives
  • Measuring, controlling and regulating systems
  • Transition from LPZ 0 to LPZ 2
  • Installation electrotechnical expertise
  • CO₂ footprint (PCF)
Technical data

Technical data

Capacity (wire-earth) ≤30 pF
Capacity (wire-wire) ≤30 pF
CO2 Footprint (GWP) Cradle-to-Gate 0,6488 kg CO2e / 1 Piece
Connection cross-section, flexible, max. 1,5 mm²
Connection cross-section, flexible, min. 0,14 mm²
Connection cross-section, multi-wire, max. 2,5 mm²
Connection cross-section, multi-wire, min. 0,14 mm²
Connection cross-section, rigid, max. 2,5 mm²
Connection cross-section, rigid, min. 0,14 mm²
Cut-off frequency 100 MHz
Dimension 48V
Earthing via: Connection cable / DIN rail
Height 95 mm
Impulse durability wire-earth 10 kV / 5 kA
Impulse durability wire-wire 10 kV / 5 kA
Insertion loss ≤3 dB
Kategorie Type 1+2 / D1+C2
Length 75 mm
Lengthwise resistance 1.2 ± 5%
Lightning impulse current 2,5 kA
Lightning protection zone LPZ 0→2
Maximum continuous voltage AC 37 V
Maximum continuous voltage DC 52 V
Mounting of input / output Screw terminals
Nominal discharge current (8/20 µs) 10 kA
Nominal load current AC 0,425 A
Nominal load current DC 0,6 A
Number of poles 4
Permitted temperature range, max. 80 °C
Permitted temperature range, min. -40 °C
Plug-in system Terminal
Protection level wire-earth 1600 V
Protection level wire-wire 170 V
Protection level, shield-earth (S-PE) 1300 V
Protection rating IP20
Screening Indirect
Series resistance per wire 1,2 Ω ± 5%
Shielding connection available yes
Signalling on device None
SPD to EN 61643-11 Type 1+2
SPD to IEC 61643-1 Class I+II
SPD to IEC 61643-21 Class I+II / D1+C2
Testing standard IEC 61643-21
Total discharge current (10/350) 2,5 kA
Total discharge current (8/20) 20 kA
Total impulse durability into C2 (8/20) 20 kA
Version for 2x2-pole
Width 17,5 mm
All types

All types

Types Number of poles Version for Maximum continuous voltage AC Maximum continuous voltage DC Plug-in system Item no. Quantity SSU
PDP-2-5-I-OS 4 2x2-pole 4.2 V 6 V Terminal 5080349
1 piece
PDP-2-12-I-OS 4 2x2-pole 12 V 16 V Terminal 5080351
1 piece
PDP-2-24-I-OS 4 2x2-pole 21 V 30 V Terminal 5080353
1 piece
PDP-2-48-I-OS 4 2x2-pole 37 V 52 V Terminal 5080355
1 piece
Downloads

Download

Download

EU declaration of conformity PDP-2-48-I-OS / 5080355 , 0.11MB , pdf
Download

Download
Download

PDP-2-48-I-OS / 5080355
Download