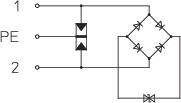
Protection for field devices, 2-pole, 24 V, NPT

Item no. 5098390 | EAN 4012195683384

22 V
32 V
Product description
Product description
Petrol Field Protector FDB for intrinsically safe measuring circuits and bus systems

• NPT connection technology
• Low protection level at high current load
• Easy mounting on field devices
• Negligible internal capacitance and inductance
• Stainless steel housing with pressure-resistant encapsulation
• ATEX approval: II 2(1) G Ex ia [ia Ga] IIC T4..T6 Gb (BVS 10 ATEX E 048)

Application: Flow sensors, temperature sensors
  • ATEX certificate for explosive areas
  • 5-year warranty
  • Communautés Européennes, EC declaration of conformity according to EC directives
  • Transition from LPZ 1 to LPZ 3
  • Measuring, controlling and regulating systems
  • Installation electrotechnical expertise
  • CO₂ footprint (PCF)
  • Packaging without plastic
Technical data

Technical data

Capacity (wire-earth) < 26 pF
Capacity (wire-wire) < 17 pF
CO2 Footprint (GWP) Cradle-to-Gate 0,0039 kg CO2e / 1 Piece
Dimension 32V
Earthing via: Connection cable
EX approval II 2(1)G Ex ia [ia Ga] IIC T4..T6 Gb (BVS 10 ATEX E 048)
Explosion-tested version yes
Housing material surge protection components V2A
Impulse durability wire-earth C2: 5 kV / 2,5 kA (8/20µs)
Impulse durability wire-wire C1: 0,5 kV / 0,25 kA (8/20µs)
Kategorie Type 2+3 / C2+C1
Lightning protection zone LPZ 1→3
Maximum continuous voltage AC 22 V
Maximum continuous voltage DC 32 V
Mounting of field / device side: Connection cable 1.5 mm² Length ~ 250 mm
Mounting of input / output 1/2" NPT
Number of poles 2
Permitted temperature range, max. 70 °C
Permitted temperature range, min. -20 °C
Protection level wire-earth <800 V
Protection level wire-wire <80 V
Protection rating IP65/67
Signalling on device None
SPD to IEC 61643-21 Class II+III / C2+C1
Telecommunications contact no
Testing standard IEC 61643-21
Total discharge current (8/20) 10 kA
Version for 2-pole; NPT
All types

All types

Types Number of poles Version for Maximum continuous voltage AC Maximum continuous voltage DC Item no. Quantity SSU
FDB-2 24-M 2 2-pole; metric 22 V 32 V 5098380
1 piece
FDB-3 24-M 3 3-pole; metric 22 V 32 V 5098382
1 piece
FDB-2 24-N 2 2-pole; NPT 22 V 32 V 5098390
1 piece
FDB-3 24-N 3 3-pole; NPT 22 V 32 V 5098392
1 piece
Downloads

Download

Download
Download
Download

Download
Download

FDB-2 24-N / 5098390
Download