Note: This article is discontinued.

Surge arrester, 3-pole with fuse monitoring 280 V

Item no. 5096251 | EAN 4012195393191

280 V
IP20
Product description
Product description
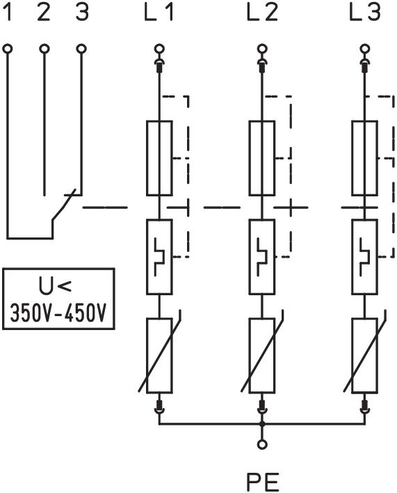
Surge arrester, type 2, ready for connection with remote signalling and voltage monitoring

• Complete unit consisting of upper part and base, pre-mounted and ready for connection
• Suitable for TN network systems
• With voltage monitoring of phases and function monitoring of arrester upper parts
• With remote signalling and potential-free changeover contact
• Plug-in upper part; upper part can be separated from base without tools
• Incl. thermal and dynamic cut-off unit
• With visual display of defects
• High current conductivity and long service life
* Complete = cover and base
  • MAGYAR ELEKTROTECHNIKAI ELLENŐRZŐ INTÉZET Budapest, Hungary
  • 5-year warranty
  • Communautés Européennes, EC declaration of conformity according to EC directives
  • EurAsian Conformity
  • 230/400 V system
  • Protection device to DIN EN 61643-11 or IEC 61643-11
  • Transition from LPZ 1 to LPZ 2
  • Remote signalling with fuse monitoring
  • CO₂ footprint (PCF)
Technical data

Connectivity options

Arrester surge current (8/20 µs) [total] 60 kA
Blow-out no
CO2 Footprint (GWP) Cradle-to-Gate 0,9825 kg CO₂e / 1 Piece
Conductor cross-section, rigid (single-wire/multiwire), max. 35 mm²
Conductor cross-section, rigid (single-wire/multiwire), min. 2,5 mm²
Dimension 280V
Installation type DIN rail 35 mm
Integrated back-up fuse no
Lightning protection zone LPZ 1→2
Max. mains-side overcurrent protection 125
Maximum back-up fuse 125 A
Maximum continuous voltage AC 280 V
Maximum discharge current (8/20 μs) 40 kA
Network form TN
Nominal discharge current (8/20 µs) 20 kA
Nominal discharge current (8/20 µs) [L-N] 20 kA
Nominal voltage AC (50/60 Hz) 230 V
Operating temperature, max. 80 °C
Operating temperature, min. -40 °C
Permitted temperature range, max. 80 °C
Permitted temperature range, min. -40 °C
Pole version 3
Protection rating IP20
Remote signalling no
Response time <25 ns
Signalling on device Visual
SPD to EN 61643-11 Type 2
SPD to IEC 61643-1 Class II
Test class, type 2 yes
TN network form yes
TN-C network form yes
Version for 3-pole with FS-SÜ; 280 V
All types

All types

Types Pole version Maximum continuous voltage AC Protection rating Item no. Quantity SSU
V20-C 3+FS-SÜ 3 280 V IP20 5096251
1 piece
V20-C 4+FS-SÜ 4 280 V IP20 5096278
1 piece
Downloads

Download

Download
Download

No invitation to tender text is available for this product.